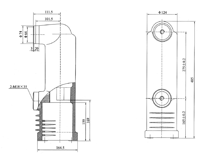
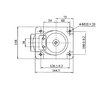
Model:EEP7-12/1600-31.5
Category:Embedded poles


Specifications of Embedded Pole
| Main Technical Specification | Unit | Specification | |
| 1600 | 1250 | ||
| Rated voltage | kV | 12 | |
| Rated current | A | 1600 | 1250 |
| Rated frequency | HZ | 50/60 | |
| Short time power frequency withstand voltage(1min) | kV | 79 | |
| Lightning impulse withstand voltage | kV | 125 | |
| Rated short circuit breaking current | kA | 31.5 | |
| Rated peak withstand current | kA | 80 | |
| Rated short circuit making current | kA | 80 | |
| Rated short time withstand current | kA | 31.5 | |
| Rated duration of short circuit | S | 4 | |
| Rated breaking current of single capacitor bank | A | 400 | |
| Rated breaking current of back to back capacitor bank | A | 400 | |
| Rated operating sequence | O-0.3s-CO180s-CO | ||
| Breaking operations of rated short circuit breaking current | Times | 30 | |
| Rated mechanical endurance | Times | 20000 | |
| Closing force due to bellow and atmosphere | N | 140±50 | |
| Force required to hold contacts open at full stroke | N | 220±50 | |
| Circuit resistance at lower limit of rated contact force | mΩ | ≤25 | |
| Contacts limit erosion | mm | 3 | |
| Gas pressure inside vacuum interrupter | Pa | ≤1x10?3 | |
| Localize discharge | Pc | ≤5 | |
Mechanical Data Required for the Matched Vacuum Switchgear
| Main Technical Specification | Unit | Specification | |
| 1600 | 1250 | ||
| Clearance between open contacts | mm | 11±1 | |
| Average opening speed | m/s | 1.2±0.2 | |
| Average closing speed | m/s | 0.6±0.2 | |
| Rated of contact force | N | 3100±200 | |
| Contact bouncing duration at closing operation | ms | ≤2 | |
| Out of simultaneity of contact closing and opening | ms | ≤2 | |
| Maximum rebound during opening | mm | ≤2 | |
Prev archive:Embedded Poles
Next archive:Embedded Poles